FOC DE LLENYA EDILKAMIN – WINDO3 85

La Windo3 85 és una llar de foc de llenya amb vidre en tres cares i porta elevable, dissenyada per oferir una visió panoràmica del foc des de múltiples angles. Amb una potència útil de 13,2 kW i una eficiència superior al 84 %, és ideal per a espais de fins a 345 m³. Combina un disseny refinat amb una combustió neta i opcions de canalització d’aire.

FOC DE LLENYA EDILKAMIN – WINDO3 85

La Windo3 85 és una llar de foc de llenya amb vidre en tres cares i porta elevable, dissenyada per oferir una visió panoràmica del foc des de múltiples angles. Amb una potència útil de 13,2 kW i una eficiència superior al 84 %, és ideal per a espais de fins a 345 m³. Combina un disseny refinat amb una combustió neta i opcions de canalització d’aire.

L’Edilkamin Windo3 85 és un inserit d’alta gamma pensat per a interiors moderns que volen una presència visual destacada del foc. El seu disseny trifacial permet col·locacions centrals o en parets obertes, oferint una experiència visual envoltant. Amb materials resistents i un sistema de combustió optimitzat, garanteix confort, eficiència i estètica en una única solució.

Disseny i materials

  • Cos d’acer de gran resistència.
  • Interior amb plaques ceràmiques refractàries (Ecokeram).
  • Vidre frontal i laterals amb perfil minimalista.
  • Porta amb sistema d’obertura vertical (tipus guillotina).
  • Sistema de vidre net amb aport d’aire secundari.
  • Opció de canalització d’aire calent cap a altres estances.

Potència i rendiment

  • Potència tèrmica útil: 13,2 kW
  • Eficiència energètica: 84,6 %
  • Consum de llenya: aproximadament 3,4 kg/h
  • Volum calefactable: fins a 345 m³

També disponible en versió EVO, amb potència lleugerament superior i eficiència propera al 88 %.

Emissions i sostenibilitat

  • Classificació energètica A+
  • Sistema de post-combustió que millora l’eficiència i redueix les emissions contaminants.
  • Possibilitat de connexió a presa d’aire exterior, ideal per a habitatges hermètics o passius.
  • Combustió controlada amb entrada d’aire regulable.

Funcionalitat i facilitat d’ús

  • Porta elevable suau i segura per facilitar la càrrega de llenya.
  • Sistema de neteja automàtica del vidre que manté una visió clara de la flama.
  • Regulació manual dels fluxos d’aire primari i secundari.
  • Opcional: ventilador amb kit de canalització per distribuir l’aire a altres espais.
  • Peus regulables per a una instal·lació precisa.

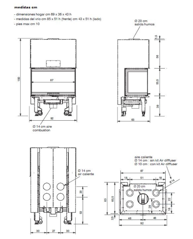
Dimensions i compatibilitat

  • Alçada: 1.500 mm
  • Amplada: 920 mm
  • Profunditat: 630 mm
  • Pes: aproximadament 350 kg
  • Dimensions de la cambra de combustió: 690 × 360 × 430 mm
  • Sortida de fums: Ø 200 mm (superior)
  • Entrada d’aire exterior: Ø 140 mm

PRODUCTES RELACIONATS

Av. de la Farga, 95 – BANYOLES (Girona) Spain 
info@focsiestufesromans.com

T. +34 972 57 30 12

APUNTA’T A LA NOSTRA NEWSLETTER!